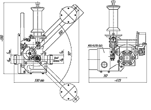
Клапан быстродействующий отсечной мазутный с автовзведением ЭИ 99.50
| Проход условный (размер номинальный) DN | 50 | |
| Рабочая среда | Мазут топочный | |
| Температура рабочей среды, °С | 250 | |
| Максимальное рабочее давление, МПа | 4,0 | |
| Продолжительность срабатывания при закрытии, с | 1...1,6 | |
| Привод срабатывания на закрытие |
|
|
| Установленная мощность N , кВт | 0,22 | |
| Механизм взведения | МЭО 40/25-0,63 | |
| Время взведения, с | 40 | |
|
Материалы:
- корпус, крышка
- затвор, седло
- вал
|
Сталь 20 сталь 12Х18Н10Т сталь 20Х13
|
|
| Масса, кг | 80 |
Назначение: клапан предназначен для применения в качестве устройства безопасности в системах подачи мазута к горелкам котлов теплоэнергетических установок с целью обеспечения их безопасной работы.
Применение: в схемах топливоподачи теплоэнергетических установок.
Особенности конструкции: клапан быстродействующий отсечной мазутный с уплотнениями из терморасширенного графита. Расчётный срок эксплуатации – 200 тыс. часов.
Клапаны эксплуатируются на ТЭС: Луганской.

